Oemer Motori Elettrici S.P.A.
Il cliente
OEMER Motori Elettrici SPA è un’azienda italiana specializzata nella produzione di motori elettrici industriali ad alte prestazioni, attiva dal 1949 a Rescaldina (Milano). Personale altamente qualificato, tecnologia avanzata e continui investimenti in impianti e strumenti, uniti alla flessibilità della produzione, sono i fattori che consentono di realizzare in breve tempo nuovi prodotti con elevati standard qualitativi ed elevata affidabilità.
L’esigenza
Il Cliente aveva la necessità di adeguare la centrale termica, in quanto il generatore esistente non era più adeguato agli standard minimi previsti in fatto di efficienza globale media annuale per riscaldamento previsti dalla Regione Lombardia.
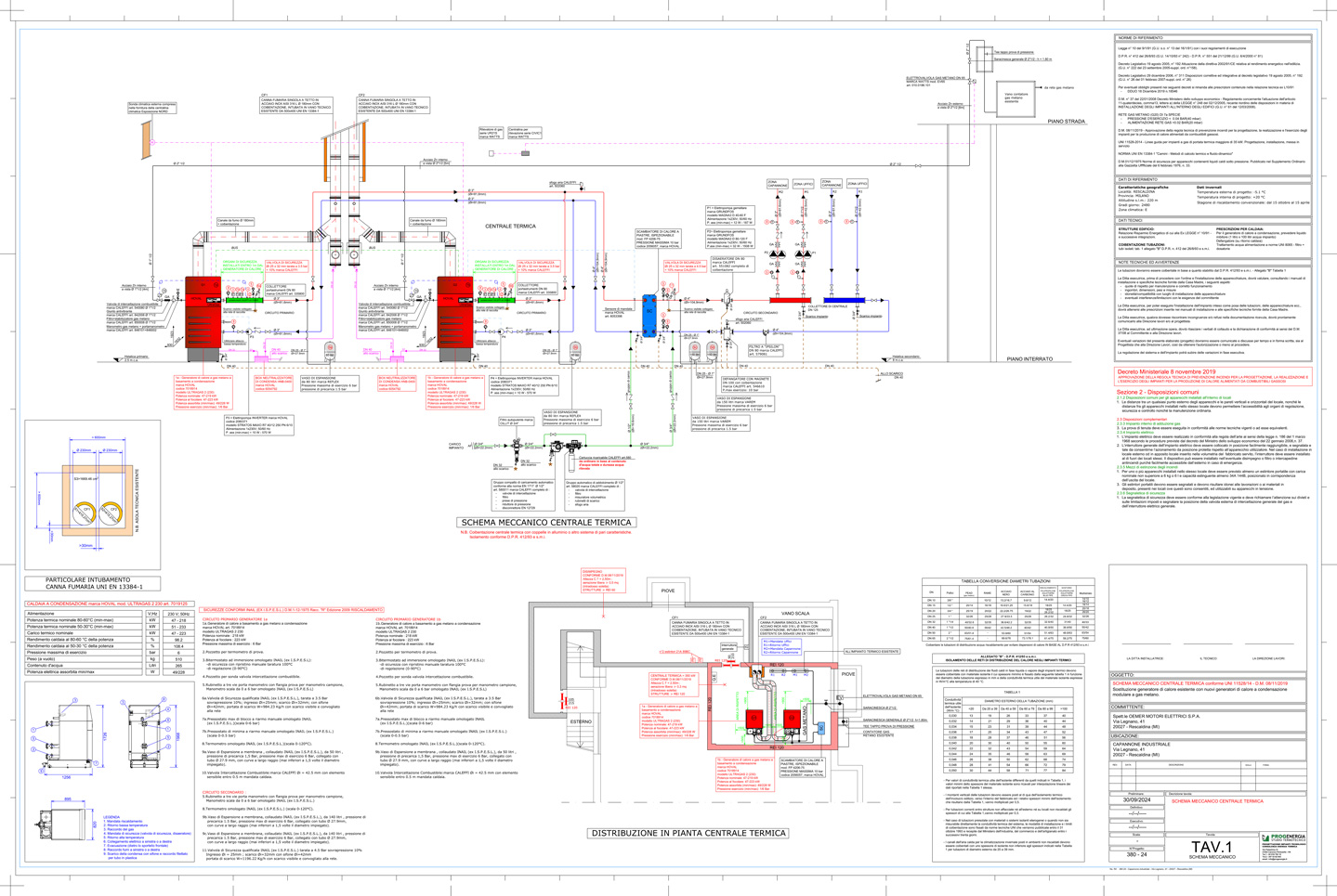
La soluzione
L’intervento consiste nella sostituzione del generatore di calore esistente con due nuovi generatori di calore a basamento del tipo a condensazione a gas metano ad alta efficienza marca Hoval modello Ultragas 2 230, della potenza al focolare di 223 kW cad., installati in batteria.
Dettaglio tecnico
L’adeguamento si compone delle ulteriori seguenti opere:
- Inserimento di uno scambiatore a piastre ispezionabile avente la funzione di separazione idraulica tra il circuito primario ed il circuito secondario. Lo scambiatore di calore svolge la funzione preservare lo stato di qualità dei gruppi termici
- Inserimento di tutti gli accessori di sicurezza INAIL a protezione dei circuiti idraulici (circuito primario e secondario);
- Lavaggio circuito idraulico esistente (riscaldamento) con additivo chimico specifico;
- Inserimento di un defangatore magnetico e di un filtro sul circuito secondario;
- Realizzazione n°2 nuove canne fumarie in acciaio inox coibentate, intubate in vano tecnico esistente complete di accessori;
- Modifica della rete gas metano, nello specifico: tratto dal contatore all’utenza;
- Tutte le opere idrauliche necessarie alla modifica (es. tubazioni, saldature, giunzioni, coibentazione ecc) come da schema meccanico;
- Inserimento di disaeratore nel punto più alto del circuito
